RadioHistoria - logo www.radiohistoria.hu
Katalógus Gyártók Dokumentumok Linkek Bejelentkezés
Keresés




Újdonságok
Videoton, RA 6380 SA CleopatraOrion, 7015Telefongyár Rt., T 528HBEAG, AYT 205Standard, 3 AFMV, MOM magnetofonELKISZ Szövetkezet, TV generatorOrion, AT 751 O TokajSiemens, Kfa wz 104.a, 105.a & 106.aVideoton, DC 2050Videoton, DC 1680Astra, NovitasAstra, Astradyn V405 (2+1)BEAG, GL 911ORION, UR103Philips, 2007Budapesti Rádiótechnikai Gyár, MK23Orion, logókStandard, logókTelefunken, Magnetophon 302 AutomaticMarx és Mérei Cég; BudapestStratton & Co, S 811Telefunken, 2 T 64UTungsram: Sendertubes 1943Tungsram Bratislava, Szlovákia - rádiók és kapcsolási rajzok

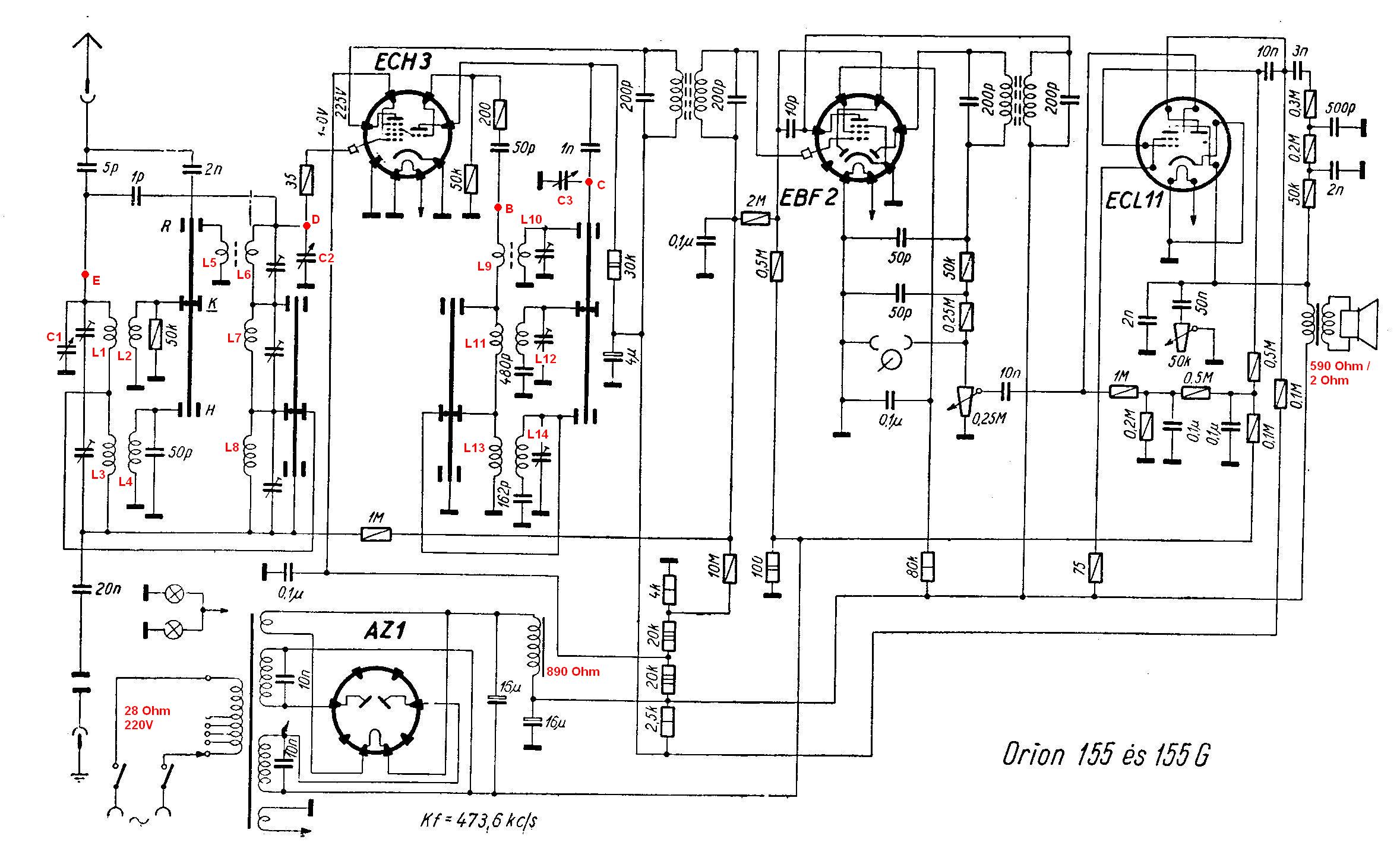
Orion 155

Orion 155, Photo: Viktor Cingel, Szlovákia
Orion155.jpg Orion155166coils.JPG
Ref: Kádár Géza: Rádió vevőkészülékek kapcsolása I.









Dokumentumok :: Fényképalbum, Dokumentumok :: Restaurálás
2008.6.8
(c) A www.radiohistoria.hu oldalon megtalálható információk és fényképek, valamint az adatbázis – szerzói joggal védett.