Diaboló 2 - Szelektív 2 csöves kapcsolás újfajta tekerccsel
A modernizálás korszakát éljük. Mindent átalakítunk vevőnkben, amit csak lehet,
anód pótlót, fűtést, modern csöveket szerzünk be, szóval mindenre kiterjed figyelmünk,
Csak éppen a tekercsek maradtak a régiek. Pedig milyen sok körülményre kell tekin-
Tettel lenni: veszteségmentes tekercselés, önindukció, csatolás, visszacsatolás és még egy
Pár szempont, amelyre... Rendszerint nem vagyunk figyelemmel.
Egy lépés ezen a téren is történt most a diabolótekercs bevezetésével.
Magyar szabadalom, magyar munka ez az érdekes tekercs, melyre nagy jövő vár. |
A tekercs.
A Rádió Újság 4-ik számában jelent meg először leírása. Annyi érdeklődő levelet kaptunk utána, hogy ez már figyelmeztetésnek látszik: az amatőr új tekercstípust vár!
A diabolotekercs tényleg új és számos olyan tulajdonsággal rendelkezik, amelyek eddig nem voltak meg.
Legfontosabb tulajdonsága egyenletesen változtatható önindukciója, ugyanakkor azonban a legkisebb kapacitása van, sőt még az is csökkenő. Másik igen fontos tulajdonsága a mindenkori optimális csatolás.
A rezgőtekercs alatt húzódik meg ugyanis a csatoló (vagy visszacsatoló) tekercs. A kapcsolás jóságára nézve nagyon kívánatos, hogy ez a csatolás ne legyen állandó, hanem a hullámhossz csökkenésével lazább legyen. (Vannak amerikai kapcsolások, ahol komplikált kondenzátortengely vezénylésével váltogatják a csatolást). A diabolotekercsnél az a kérdés automatikusan meg van oldva, hisz amint a rövidebb hullámok vételénél az önindukciót csökkentjük a tekercs széthúzásával, ugyanakkor a csatolás is természetesen folyton kisebb és kisebb lesz.
Hogy ez milyen előnyös, azt a hangerősség és szelektivitás együttes szereplése bizonyítja, egyéb kellemes tulajdonsággal. Így pl. a visszacsatoló kondenzátort mindig a legerősebben jelentkeznek külön szabályozás nélkül, anélkül, hogy a vevő begerjedne. A tekerésnek igen sok alkalmazási lehetősége van. melyek közül most egy kétcsöves kapcsolást közlünk, de jelezzük, hogy több más kapcsolás is készen van.

A kapcsolás.
Mivel tekercsünk változtatható, ezért úgy is hangolhatunk, hogy fix kondenzátorokat veszünk, és a tekercset változtatjuk. Ezek a kondenzátorok közönséges blokkok lehetnek, de ha légszigetelésű tömbkondenzátort kapcsolunk be, még fokozhatjuk a vevő érzékenységét.
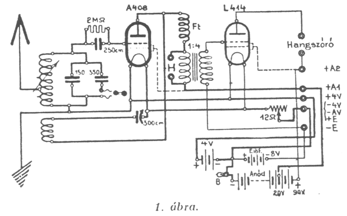
A kapcsolásról az első ábra ad felvilágosítást. Itt Diaboló—1 tekercs szerepel beágazásokkal, alul a visszacsatoló tekerccsel. Hogy nagyobb hullámszakaszt uraljunk, 2 tömbkondenzátort kapcsolunk be: 150 és 350 cm-est. A középen levő kikapcsolóval a 350-et rövidebb hullámok vételénél ki tudjuk iktatni. Egy forgó kondenzátort tehát megtakarítottunk és még fokoztuk amellett a kapcsolás jóságát. (Ha a 150-es blokkot is kiiktatnánk, akkor már a rövid hullámok régióiban járnánk). Így vevőnkkel a következő állomásokat vettük hangszóróban egy budapesti bérházban: Gleiwitz, Breslau, egy másik német állomás, Lille, London, Graz, Algier, Katowice, Bukarest, Róma és még 4 állomás, melynek bemondását nem tudtuk kivárni.
A kapcsolás maga oly egyszerű, hogy nincs is mit mondani elkészítéséről. Különben is huzalozási rajzot is adunk, a drótvezetések feltüntetésével. Egylámpás vevőt is csinálhatunk belőle (melyet esetleg később bővíthetünk), ebben az esetben a kapcsolásnak csak a vastagon kihúzott vonalait kell bekötni, a vékonyak elmaradnak.

Szükséges alkatrészek (2 csöves vevőhöz):
1 db kis szerelőszekrény;
1 db Diaboló—1 tekercs;
2 db tömbkondenzátor 150 és 350 cm-es;
1 db 12 ohmos fűtőellenállás;
1 db fűtéskikapcsoló (a kondenzátor ki- és beiktatására);
2 db csőfoglalat;
2 db cső, mi ebben a kapcsolásban feltüntetett eredményeket A408 Valvo és L414 Valvo csövekkel értük el.
1 db transzformátor;
1 db 300 cm-es visszacsatoló kondenzátor (bakelit-szög);
6 db banánhüvely;
5 db telepszorító;
1 db anódbiztosító lámpa;
1 db fojtótekercs (1000 ohmos fejhallgató cséve Ft.).
Telepünk 4 Volt 13 amperórás akku, anódtelepnek akár szárazelem is megfelel. Vidéken előnyösebb ennél a készüléknél szárazelemmel dolgozni, mert kicsi az anódfogyasztása. Egylámpás készüléknél egyrácsos csőhöz elég 20 Volt anódfeszültség. Kétrácsos csöveket is használhatunk, hangszórónk így megszólal, természetesen nem szabad túl sokat követelni tőle. (24 Volt anód kell, ebből audionnak 12.)
Készülékünk fotográfiáját is közöljük (elkészülése közben).
A Diaboló—2 bármilyen antennához használható.



RMK Nosztalgia Rádió Egyesület lapja - Megjelenik kéthavonta, ingyenesen az Egyesület tagjai részére
Főszerkesztő: Kóger László, Szerkesztés: Biliczky István, Kiadás: Szécsényi Lajos
RMK Nosztalgia Rádió Egyesület székhelye: 1800Bp., Bródy S. u. 5-7. Elnök: Kóger László tel.: (06-30) 378-6633 kogerradio@citromail.hu |
Dokumentumok :: <1930, Dokumentumok :: Nosztalgia Rádió Hírújság
2010.5.4