RADIOTESTER TR-0608

A RADIOTESTER AM-FM rádiókészülékek javítására kifejlesztett műszer-összeállítás. A tervezés eredményeként a rádiókészülékek javításakor felmerülő mérések döntő többsége vele elvégezhető. Kivételt képez például a sztereó-dekódoló áramkörök beállítása, és a pontos érzékenység mérés.
 | 
|
Elmondható, hogy ha egy ilyen készülék van munkaasztalunkon, akkor rendelkezésünkre áll egy csővoltmérő egy széles frekvenciasávban működő AM-FM szignálgenerátor, és egy a hangfrekvenciás fokozatok ellenőrzésére szolgáló szabályozható kimenő feszültségű 1 KHz-es feszültségforrás. Ezen kívül néha még egy árammérő műszerre is szükség van az öreg készülékek restaurálásakor.
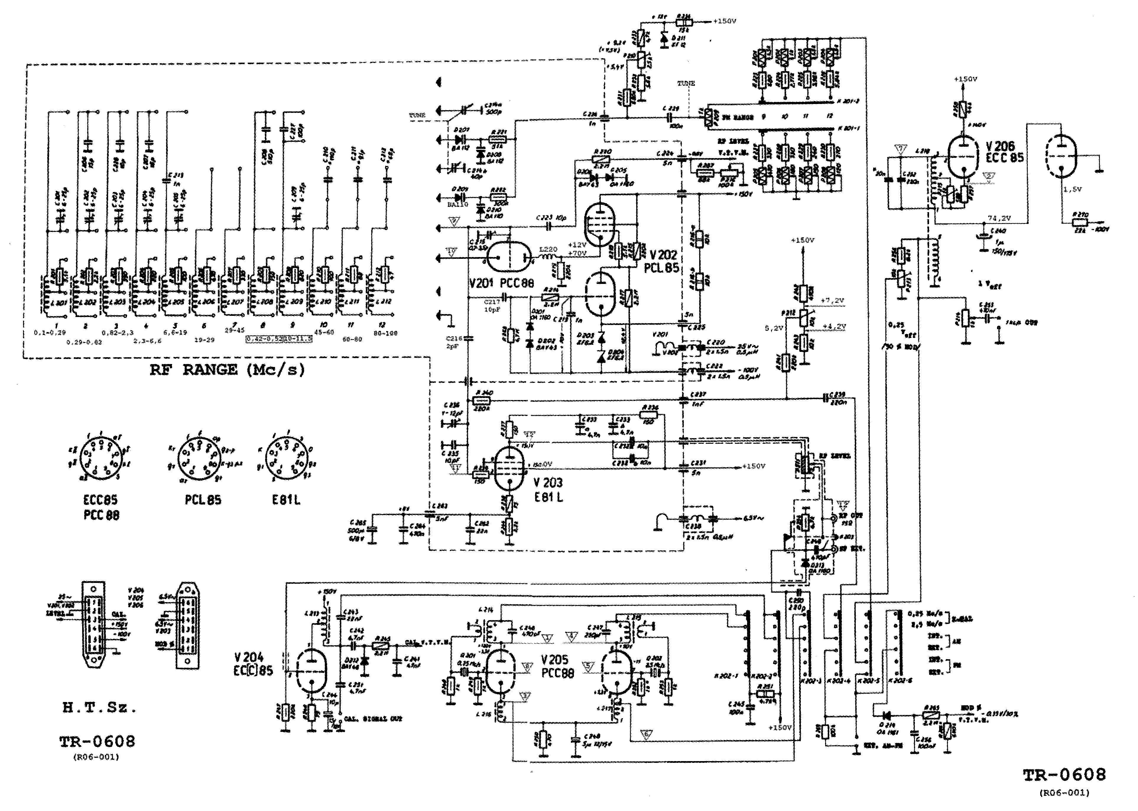
A Híradástechnika Szövetkezet gyártotta, és az alkalmazott rack rendszerben két azonos szélességű egység beépítésével alakították ki. A következőkben ismertetett készülék részei: Az egyik egység egy csővoltmérő: VACUUM TUBE VOLTMETER Type: TR1305. A másik egység a RADIO FREQUENCY UNIT Type: R06-001. (AM-FM szignálgenerátor.) A kettő együtt: RADIOTESTER Type: TR-0608.
RADIO FREQUENCY UNIT.
Az RF.RANGE-ben 12 állású nagyon szépen kivitelezett dobváltóval állítható be a kívánt sáv. Kis frekvenciákon a kettős hangolóforgó 500 pF-os része, a nagyobb frekvenciákon a 40 pF része aktív. A nagyfrekvenciás oszcillátor (V201) 10 tartományban fogja át 100 Kc/s-től 108 Mc/s-ig terjedő sávot. Két külön állásban (8 és 9) a két leginkább elterjedt középfrekvencia érhető el. Az AM készülékek KF fokozatainak hangolásához az egész skálára széthúzott (420-520 Kc/s) sávban, és az FM készülékek KF fokozatainak és az aránydetektor hangolásához a szintén nyújtott (10-11,5 Mc/s) sávban szolgáltat jelet.
Ez utóbbi nyújtott sávok (RF RANGE) a kapcsolási rajzon be vannak keretezve.
Az oszcillátor jelét a (C217) 10 pF kondenzátor után a (D201, D202) OA1160-BAY43 diódákkal egyenirányítják, és az így előállított feszültséget összehasonlítják a (D203-D204) ZF6,2 zenerdiódák feszültségével. A két feszültség különbsége vezérel egy (V202) csővel működő feszültségszabályozót. Ennek kimenő feszültsége az oszcillátor anódfeszültsége, amit mindig akkorára szabályoz a különbség jel, hogy az oszcillátor jelszint állandó legyen. Ez a szabályozás nagyon széles sávban nagyon jól működik, ami nagyon szép teljesítmény. Az RF szint a csővoltmérő RF LEVEL állásában ellenőrizhető.
A nagyfrekvenciás jel (C216) 10 pF kondenzátoron át kerül a (V203) csővel működő, kompenzált illesztő erősítőre, majd a kimenetre. A kimenő jel folyamatosan szabályozható egy Preh gyártmányú nagyfrekvencia osztására készült koaxiális kimenetű (un. Pí) potenciométerrel. Az illesztő erősítő egyúttal az AM modulátor is.
AM moduláció.
A nagyfrekvencia minden sávban külső és belső jellel is modulálható. A belső moduláció (V206) csővel felépített oszcillátor 1 KHz-es jelével történik.
Ennek a belső generátornak a jele elérhető az előlapon lévő kapcsokon (1Kc/s OUT), szabályozható szinten. A belső AM moduláció AM INT. mélysége fix 30%, 1Kc/s és nem méri a csővoltmérő. A külső AM moduláció EXT. AM-FM jelű csatlakozóra kapcsolt jellel lehetséges, és mélysége a csővoltmérő MOD% állásában mérhető.
Az 1Kc/s OUT. kimenetet az EXT. AM-FM bemenettel összekötve az 1Kc/s LEVEL potenciométerrel, tetszőleges modulációs mélységet tudunk beállítani. Ez végül is a kijövő 1Kc/s jelet visszavezetve megvalósított mérhető külső moduláció. Ezen a kapcson keresztül a megadott sávszélességen belül külső hanggenerátorral, és zenei forrásból is AM modulálhatjuk a berendezést.
FM moduláció.
A 10-11,5 Mc/s és a 45-108 Mc/s (9... 12) sávokat külső és belső frekvencia-modulációval is használhatjuk. A frekvenciamoduláció varikap diódával történik. A (D207, D208) a 10-11,5 Mc/s-u FM-KF sávban és a (D209, D210) a nagyobb frekvenciasávokban működik. Állandó moduláló jelszint esetén minden sávon belül azonos frekvencialöketet kell biztosítani. Változatlan frekvencialöket elérése érdekében a sáv különböző pontjain a változó kapacitásviszonyok, folyamatosan változó varikap kapacitásváltozást igényelnek. Ezt állandó bemenő-moduláló feszültség mellett, folyamatosan változó nagyságú varikapra juttatott feszültséggel lehet elérni. A varikapra jutó feszültség alkalmas beállítása érdekében a hangolókondenzátorral együttmozgó (P209) poteciométerrel (a képen nyíl mutatja) és a moduláló feszültség átfogását beállító ellenállás potenciométer hálózattal biztosították a sávokon belüli állandó frekvencialöketet.
Az EXT. AM-FM kapcson keresztül a megadott sávszélességen belül külső hanggenerátorral, és zenei forrásból is FM modulálhatjuk a berendezést Hitelesítés.
A szignál frekvenciájának pontos hitelesítéséhez beépítettek két kristály oszcillátort. A 250Kc/s-os jelet a 0,25 ... 10 Mc/s sávban, míg a 2,5Mc/s-ú jelet a 2,5Mc/s....108Mc/s sávban használhatjuk hitelesítésre. A bekapcsolt kristály oszcillátor jele az előlapon levő csatlakozón (EXT. RF) egyéb célra is rendelkezésre áll. A hitelesítés a nagyfrekvenciás jel és a kristály oszcillátor harmonikusainak összelebegtetésével történik. A két jel üttetéséből származó jelet egy szelektív erősítőn (V204) átvezetve és egyenirányítva (D212 BAY46) a készülék csővoltmérőjével indikáljuk. A lebegtetett jel az előlap kapcsain is elérhető (CAL. SIGNAL OUT) és hangerősítővel „füttymélypontra" is hangolhatunk (Ez utóbbi sokszorta kényelmesebb).
A hitelesítés menete: kiválasztjuk a hitelesíteni kívánt sávot, és a sávban a piros osztásjelhez állítjuk a skálát. Beállítjuk a FUNCTION kapcsolón a sávhoz ajánlott kristály frekvenciát. A bekapcsolt kristály oszcillátor jele a keverő-egységbe jut. A csővoltmérő SELECTOR kapcsolót CAL állásba állítjuk. Megnyomjuk az RF. OUT csatlakozó fölött található piros nyomógombot, ezzel a keverőegységbe vezetjük az RF jelet. A frekvenciaállító gombbal finoman hangolva megkeressük a pontos jelfrekvenciát. Ez a csővoltmérőn két indikált maximum közötti minimum hely. Amennyiben szükséges a csővoltmérő méréshatárát a szükséges érzékenységűre állítjuk. Ezt követően a skála fölött levő csavarral mechanikusan beállítjuk a skálát a pontos frekvenciára. A csavarhúzót a csavarba illesztés után egy rugó ellenében be kell nyomni és az állító fogaskereket ezzel „rákapatni" a skála fogaskerekére. Természetesen minden más, a kristályok harmonikus-tartományába eső ponton lehet a skálát hitelesíteni.
Frekvenciamérés.
A készülék alkalmas frekvenciamérésre is. A hitelesítendő jelet az EXT. RF csatlakozón át a keverőegységbe vezetjük. A hitelesítés ezután frekvenciaüttetés módszerével a készülék állítható frekvenciasávján belül, vagy a belső kristály oszcillátorok felhasználásával elvégezhető. Természetesen, ha a kristály oszcillátorokkal kívánunk hitelesíteni külső NF forrást, akkor az EXT. RF csatlakozónál levő piros gombot nem kell megnyomni. Indikátorként a csővoltmérő CAL. állásban, vagy külső hangerősítő használható.
A kettős tápegység +150 V-os csöves soros stabilizátorból (2 x PCL85) és egy -100 V-os (ZX 100) zener diódával működő párhuzamos stabilizátorból áll.
A skálamechanika gondos tervezés és kivitelezés. Az egy tengelyen futó durva és finombeállítás lehetősége, a tetszőleges pontra nullázható a finombeállítón levő decimális skála (kis elhangolások beállításához) nagyon jó szolgálatot nyújt. Nagyon pontos a skála, jól hitelesíthető. Gondoltak arra, ha az oszcillátor csövet cserélni kell, akkor az új cső bemeneti kapacitás-eltérése miatt megváltozó skálapontosság egyetlen trimmerkondenzátorral (C215) visszaállítható legyen.
A készülék jóminőségű alkatrészek felhasználásával készült, kicsit zsúfolt felépítésű. Nem lehet vidám napunk, ha a skálahúrozással van valami gond. Két skálahúr található a TESTER-ben. Sodrott acélhúr fut a kettősforgó meghajtására, és textilhúr az FM modulációt kiegyenlítő potenciométerhez.
Az a nagy előnye a készüléknek, hogy a rádiójavításhoz szükséges minden műszer egyben megvan, és javításhoz nem kell különböző műszereket feltornyozni. Pontosan lehet mérni, hangolni!! Mindezt beárnyékolja a készülék egy hibája. A baj, ami van, sajnos elég nagy. A nagyfrekvencia a felső sávokon úgy kúszik ki a réseken, mint a benzin, és a készülék lecsavart RF. LEVEL mellett is sugároz. Lehet, hogy a dobváltót lezáró fedél illesztése is ludas a sugárzásban. Két TESTERT is teszteltem és mind a kettő e tekintetben rosszul viselkedett. (Emlékeimben él még, hogy a szignálgenerátorok alumíniumból öntött, a peremén síkra mart, oszcillátor-zárófedelét milyen erővel kellett a szintén síkra mart ellendarabhoz csavarokkal összehúzni akkor, mikor azokat sugárzásra ellenőrizték.).
A külső modulációs szintre vonatkozó adatokat kezeljük óvatosan. A mért értékek az irányadóak, (pl. külső AM-modulációnál alacsonyabb bemenő feszültség-szinttel modulálható 30%-ra a készülék, mint ahogy a specifikációban megadták.)
A RADIOTESTER kézhez álló készülék sok jó tulajdonsággal. Nagyon meg lehet szeretni hibái ellenére. De hát vagyunk így más téren is ...MŰSZAKI JELLEMZŐK

A jelen cikkben a TR-0608 RADIOTESTER-nek RADIO FREQUENCY UNIT részét ismertettem, a csővoltmérő és a tápegység ismertetése majd egy más alkalommal.
Mező Béla
Figyelem!
Ahogy eddig is elterveztük, egyre közeleg annak a lehetősége, hogy könyvet adhasson ki az Egyesület. Ennek érdekében teljes körű dokumentálási munkát végzek, melyről már közületek sokakkal értekeztem személyesen is. Ez a munka azt jelenti részemről, hogy az összes fellelhető rádiós szakmai és nem szakmai anyagot átböngészem évjáratonként és az adatokat abc sorrendben a megfelelő céghez rendezem. Hatalmas munka, de komoly adattárat eredményez, fontos információkkal, adatokkal. Például kiscégekről személyi adatok, mikor alakultak, mit gyártottak, stb. Minden cég, kereskedő, márkaképviselet jelen van, akinek köze volt a rádiózáshoz vagy egy részletéhez. Most járok 1929-nél, tehát a '20-as évek már megvan. Ebben a munkában mindenki részt vehet, illetve segítséget is kérek. Első körben most 1930-ig érdekelne információgyűjtés erejéig csak betekintésre bármilyen rádiós papíranyag az adattár bővítéséhez, főleg a kiscégektől árjegyzék, szórólap, bármilyen ismeretterjesztő anyag, számla, reklám, stb. Kevés információ van eddig a vidéki városok cégeiről, kereskedőiről. Elég, ha e-mailben külditek, vagy jelzitek, hogy mi van, érdekes-e, már megvan-e. Az interneten is lehet találni anyagokat, megköszönném, ha jeleznétek, ha találtok ilyesmit. Ez a hatalmas adattár lenne kiadandó könyveink információs bázisa. Tehát most első körben a '20-as és a '30-as évek eleje lenne érdekes.
Köszönettel: Kóger László
RMK Nosztalgia Rádió Egyesület lapja - Megjelenik kéthavonta, ingyenesen az Egyesület tagjai részére
Főszerkesztő: Kóger László, Szerkesztés: Biliczky István, Kiadás: Szécsényi Lajos
RMK Nosztalgia Rádió Egyesület székhelye: 1800Bp., Bródy S. u. 5-7. Elnök: Kóger László tel.: (06-30) 378-6633 kogerradio@citromail.hu |
Dokumentumok :: Nosztalgia Rádió Hírújság
2010.12.19