|
|
Orion 155-150 1940-41

Orion 155, Orion 155 U.
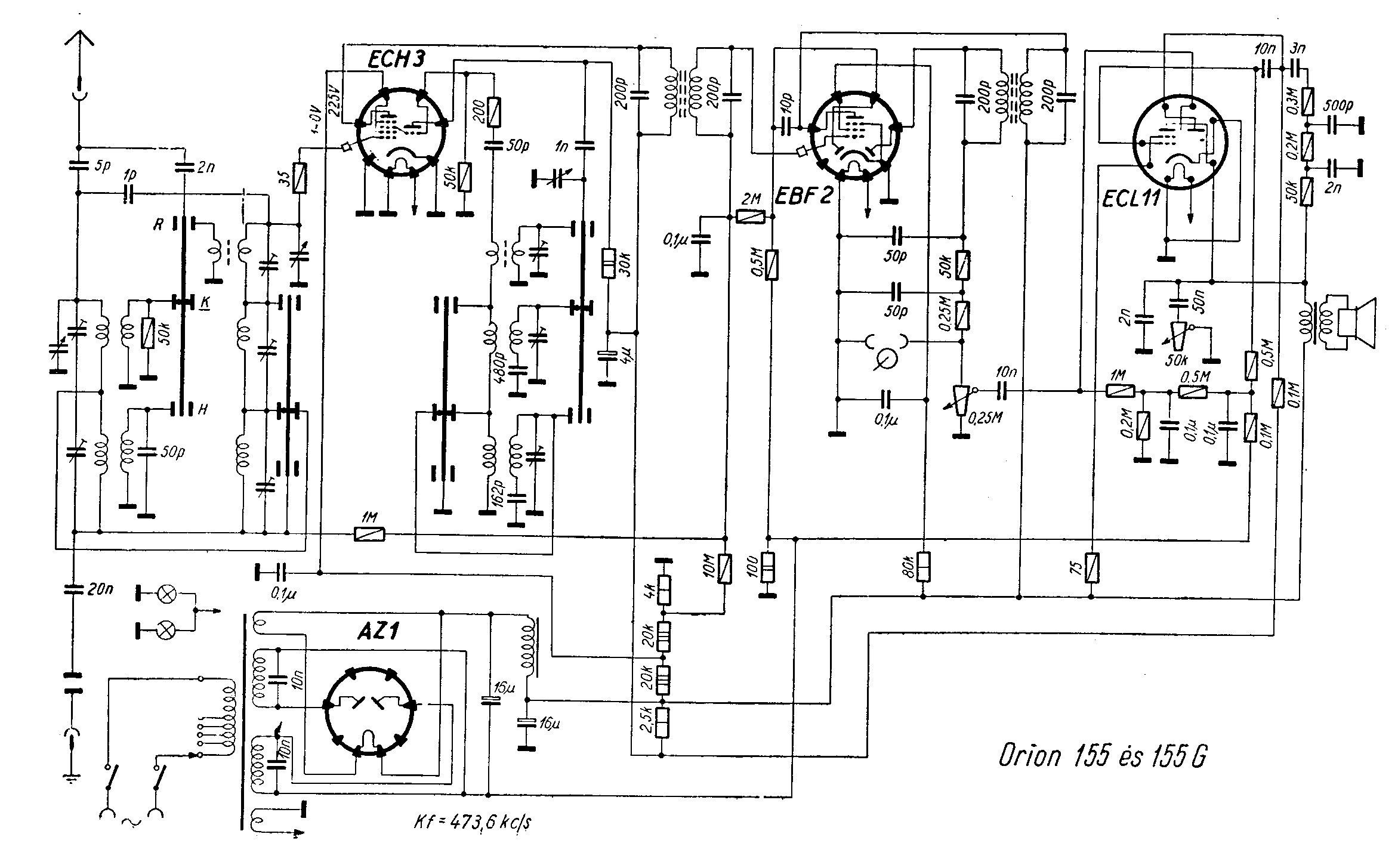
Az Orion gyár 1937-38-ban kialakított készülékszámozási rendszerében (22, 33, 44, 55, 66, 77, 88, 99 típusszámok, előtte az évszám utolsó karaktere), az 55-ös szám a középkategóriát jelentette. Így a 155-ös, az 1941-ben gyártott, 3 + 1 csöves készülék teljes szuper, vagyis felépítése: keverőcső (ECH 3), KF erősítő és demodulátor (EBF 2), kétfokozatú hangfrekvenciás erősítő (ECL 11) és kétoldalas hálózati egyenirányító (AZ 1). A kisebb számok az egyenes vevőket és a nem teljes szupereket, a nagyobbak a varázsszemmel bővített változatot és a csúcsszupereket jelentették.
A doboz kialakítását az előző évinél kevésbé lekerekített formák jellemzik. A hangszóró előtt vastag fonalból, de ritka szövéssel készített anyag van kifeszítve. Ez elég jól viselte el az eltelt hetven évet. Az Orion ezt az anyagot használta 1940-41-ben minden készülékéhez.

| 
|
A forgatógombok: nagyméretű, szám nélküli, fekete gombok, nem túl szerencsés konstrukció a hosszú skálaüveg fölötti, vízszintesen elmozdítható hullámváltó megoldás. Ennek mozgató bakelit karja (Futurit száma: 7301) gyakran eltörik, ragasztás előtt vékony fémlap erősítést tehetünk alá. A baloldali gomb a kapcsoló nélküli hangerőszabályzó potmétert, a középső a fogaskerék áttétellel bíró forgókondenzátort, a jobboldali a hálózati kapcsolót is működtető hangszín potmétert mozgatja. A készülékház külleméhez még előnyösen járul hozzá a hangfal előtt, középen elhelyezett három alumínium rúd. A hullámváltó elhelyezése a formatervezők számára lehetővé tette a teljesen szimmetrikus kialakítást.
A készülék kidobozolásához levesszük a forgatógombokat, kicsavarjuk a panelt tartó négy csavart és a hangszórót rögzítő facsavarokat. Eredetileg a hangszórót porvédő vászon takarta, ezt a javítások során rendszerint eltávolították. A Philips hangszórókkal ellentétben itt nem takarja a membránt a porvédő, hanem egy vászoncsík van a hangfalra a hangszóró köré ragasztva. A hangszóró a tipikus külsőpillés, gerjesztett Orion típus, a „kacsaitató" formájú kosárral. A doboz teljes lecsupaszítása a hangfal és a skálaüveg csavarjainak eltávolításával fejezhető be.
A skálaüveg felirata (negatív) - szerencsére - nem könnyen törlődik le.

Ezeket a dobozokat érdemes alkoholban oldott sellakkal átdörzsölni, mert ettől ugyan nem lesz olyan sima, fényes, mint újkorában, de legalább a mattulást okozó vékony penészréteg eltűnik.
A modulátor fokozat (a rövidhullám kivételével) sávszűrős bemenetű, ezt a hármasforgó alkalmazása tette lehetővé, egyben megfelelő szelektivitást biztosít a rézgyűrős hangolású légmagos tekercsek mellet is. A felső kapacitív csatolást az 1 pF-os, az alsót a 20 nF-os kondenzátor biztosítja. Az oszcillátor fokozatban az anódkörben vannak a rezgőköri tekercsek.
A hullámváltó működése a rajzon jól áttekinthető: az antenna a megfelelő antennatekercshez csatlakozik, a rezgőköri tekercsek „hosszú" állásban sorba vannak kapcsolva, az oszcillátor visszacsatoló tekercsének megfelelő pontja földre kerül, a rezgőköri tekercs pedig a forgókondenzátor állórészéhez kapcsolódik.
Az első KF trafó egy téglatest alakú alumínium árnyékoló serleg alatt van a panel fölött, a második árnyékolás nélkül a panel alatt. Az elrendezés lehetővé teszi, hogy a KF rezgőkörök behangolását GDO-val ellenőrizzük.
A szokásos kétdiódás demodulátor fokozat után a hangfrekvenciás jel az ECL 11 trióda rácsára jut. A két csőrész anódja között negatív visszacsatolást alkalmaztak, a hangszínszabályozás a végcső anódján vágja a magasabb hangokat.
Az elrendezés a panelről készített fényképeken látható. A nagyméretű panel lehetővé teszi a nem túl zsúfolt szerelést, ezt csak az ECL 11 foglalatánál tapasztalhatjuk. Figyelem! A forgókondenzátor a panel alatt van, kidobozolás előtt mindenképpen beforgatott állásba kell hoznunk! Húrozása nem túl komplikált, de a keskeny skáladob miatt csak fém-skálahúrt használhatunk. A rézgyűrűkkel - főleg csak gyárilag - behangolható légmagos tekercsekhez lehetőleg ne nyúljunk, a rezonanciagörbék úgyis laposak! Minden csévetesten egy közép- és egy hosszúhullámú tekercs helyezkedik el. A panel elején, a forgóra merőleges az oszcillátor tekercs. Amennyiben az állomások nincsenek a helyükön, mérjük le a pading-kondenzátorokat (162 és 480 pF)! A rövidhullámú tekercsek vasmagosak, így könnyen hangolhatók. A restaurálás során - lehetőleg - barna ellenállásokat és bakelitcsöves kondenzátorokat alkalmazzunk! Legközelebb ugyanennek a készüléknek az univerzális változatát ismertetem.
Simoncsics László

Orion 150
Az előzőleg ismertetett Orion 155-ös készüléknek létezett egy kevéssé ismert változata a 150-es típus. A kedvenc zöld Kádár könyvünk sem tesz említést róla, hiányzik a listáról, nyilván a könyv készítésekor nem állt róla rendelkezésre adat, csupán a korabeli információkban találhatunk róla itt-ott utalást, illetve a gyári ismertetésben, ezen kívül reklámanyagot nem találtam róla. A Rádiótechnika ismertetése (1940/ 8. szám) szerint, mivel a 155-ös modell nagyméretű, magas robusztus készülékre sikeredett, mint középkategóriájú olcsóbb készülék, őszi megjelenése után kicsit később hozták ki a 150-est, mint a 155-ös kisebb méretű változatát. Máshol azt olvastam róla, mivel az Orion a 41-es modelleknél jelentős formai váltást hozott, jóval szegletesebbek lettek a készülékek, a 150-es modellt hozta ki a régebbi több éven át sikeres kerekebb formájú készülék utódaként, mely a régebbi stílusú bútorokhoz jobban illeszkedik. Az igazság az lehet, hogy az Orion persze nem mondhatta, hogy az előző évi készülékeik formája elavult, és most egyik évről a másikra a szegletes forma a divat. Mit szólt volna a sok ezer egy-két éves Orion rádió tulajdonos, hogy az ő készüléke már elavult, holott egy-két évvel ezelőtt mikor vásárolta készülékét az volt a legjobb. | 
 |
Az igazság pedig mégis csak az, hogy a 40-es évekre a szegletes forma lett a divat, de aki ragaszkodott a régi formákhoz az a legújabb technikát megvásárolhatta a régebbi dizájnban is a 150-es típussal. A 150-es nagyon hasonlít a 088B készülékre kívülről, és a kis 022-es típusra is. Megmaradt a nagyméretű síkskála, a technika viszont teljesen azonos a 155-tel, kivéve a skála tartószerkezetet. Az egész technika, sasszi teljesen új az előző évi hasonló kategóriájú 955-055 típus álló szerelésmódjához képest.
Érdekes a skála feliratozása, alul ki vannak írva az alkatrészek, felül mindegyik sáv egy vonalként is meg van jelenítve, rajta a kilociklus és méterszámozással. A skála természetesen színes, és érdekes az Orion emblémán nincs Orion felirat. Lehet, hogy a 150-et export készüléknek tervezték? A 150-esnél látható először a hullámváltó új megoldása a középső gomb alatt, amely később a 255-355-nél fő jellegzetesség. A sasszi teljesen ugyanaz, mint a 155-é a rögzítés megoldása is. Hogy a 150 univerzális kivitelben is létezett, azt nem tudom, elképzelhető, eddig az a 3-4 példány, amivel találkoztam, mind váltóáramú volt.
A bemutatott példány szép eredeti állapotban van, annyira, hogy például a sasszi soha nem volt kiszerelve a készülékházból, alul a csavarok gyárilag le vannak pecsételve. Mindössze két elkót cseréltek benne valaha és működőképes a készülék. Tehát aki szereti a ritkaságokat, annak az Orion 150-re érdemes odafigyelni.
Kóger László
RMK Nosztalgia Rádió Egyesület lapja - Megjelenik kéthavonta, ingyenesen az Egyesület tagjai részére
Főszerkesztő: Kóger László, Szerkesztés: Biliczky István, Kiadás: Szécsényi Lajos
RMK Nosztalgia Rádió Egyesület székhelye: 1800Bp., Bródy S. u. 5-7. Elnök: Kóger László tel.: (06-30) 378-6633 kogerradio@citromail.hu |
Dokumentumok :: Nosztalgia Rádió Hírújság
2010.12.19
|